Циклоны ЦН-11-700-1УП в Казани

Цена с НДС:
107 000 рублей
Цена с НДС на циклоны ЦН-11-700-1УП с доставкой в
от 107 000 рублей
Условия в
В наличии на складе
Доставка ТК по России и Казахстану
Безналичный расчет
Есть в наличии
Циклон ЦН 11 1УП
Циклон ЦН-11-1-УП
Пылеуловитель ЦН 11 1УП
Пылеуловители ЦН-11-1-УП
Циклоны ЦН 11 1УП - изготовление
Изготовление циклонов ЦН-11-1-УП
Изготовление промышленных циклонов ЦН 11 1УП
Изготовление промышленных циклонов ЦН-11-1-УП
Производство промышленных циклонов ЦН 11 1УП
Производство циклонов ЦН-11-1-УП
Золоуловитель ЦН 11 1УП
Золоуловители ЦН-11-1-УП
Циклон ЦН 11 1УП
Пылеуловитель ЦН 11 1УП
Циклоны ЦН 11 1УП - изготовление
Изготовление промышленных циклонов ЦН 11 1УП
Производство промышленных циклонов ЦН 11 1УП
Золоуловитель ЦН 11 1УП
Видеообзор
Производительность циклона от 3460 до 5540 м³/ч
Технические
характеристики
Описание
товара
Дополнительное
оборудование
Сертификаты
и гарантии

Технические характеристики циклона ЦН-11-700-1УП

Тип циклона Циклон ЦН 11, Одиночный
Вид ЦН 11-700
Марка ЦН-11-700-1УП
Массовая концентрация пыли в очищаемом газе, не более: для слабослипающихся пылей 1000 г/м³
Массовая концентрация пыли в очищаемом газе, не более: для среднеслипающихся пылей 250 г/м³
Температура рабочей среды до 400 °С
Коэффициент гидравлического сопротивления 210
Внутренний диаметр корпуса циклона ЦН 700 мм
Количество циклонов в группе 1 шт
Площадь сечения цилиндрической части корпуса (группы корпусов) 0.38 м²
Скорость 2.5-4 м/с
Рабочее сопротивление 866-2218 Па
Камера очищенных газов Есть
Вид камеры очищенных газов Улитка
Количество камер очищенных газов 1
Вид пылесборного бункера Пирамидальный
Количество пылесборных бункеров 1 шт
Объем пылесборного бункера 0.41 м³
Размер пылевыгрузного окна бункера 250х250 мм
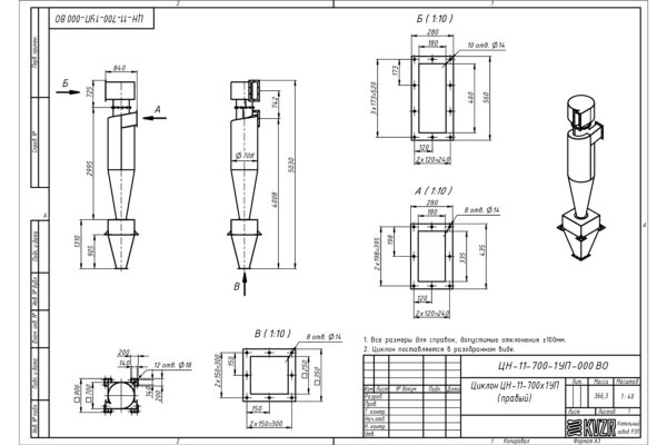
Размеры циклона ЦН (с учетом бункера): длина*ширина*высота 900х900х5030 мм
Масса блока циклонов 367 кг
Производительность циклона от 3460 до 5540 м³/ч
Чертеж циклона ЦН-11-700-1УП
Циклон ЦН-11-700-1УП чертеж

Промышленные циклоны ЦН-11-700-1УП в Казани

Циклон ЦН 11 700 1УП предназначен для сухой очистки воздуха и газов от взвешенных частиц сухой пыли выделяющихся при сушке, обжиге, агломерации, а также в различных помольных и дробильных установках, при транспортировании сыпучих материалов, а также летучей золы при сжигании топлива. Циклон применяется также для аспирации воздуха в различных отраслях промышленности - черной и цветной металлургии, химической, нефтяной и машиностроительной промышленности, промышленности строительных материалов, энергетике и т.д.

Циклон ЦН-11-700х1УП является пылеуловителем, который имеет достаточно простую конструкцию, не требует расходных материалов, а потому их эксплуатация достаточно дешева. Простота конструкции является причиной невысокой цены. Важно отметить, что циклон ЦН эффективно использовать для безотходного производства, так как некоторые виды пыли, что собраны этим пылеуловителем возможно подвергнуть переработке.

Принцип действия циклона

Принцип действия циклона ЦН-11-700 1УП следующий: поток запылённого газа вводится в циклон через входной патрубок тангенциально в верхней части. В аппарате формируется вращающийся поток газа, направленный вниз, к конической части аппарата. Вследствие силы инерции (центробежной силы) частицы пыли выносятся из потока и оседают на стенках аппарата, затем захватываются вторичным потоком и попадают в нижнюю часть, через выпускное отверстие в бункер для сбора пыли. Очищенный от пыли газовый поток затем двигается снизу вверх и выводится из циклона через соосную выхлопную трубу.

Конструкция циклона ЦН-11-700-1УП

Конструкция циклона ЦН 11 700-1УП рассчитана на температуру до 4000 °С и разряжение (давление) 5(500) кПа (кгс/м2). Циклоны изготавливаются как левого, так и правого исполнения. Они могут устанавливаться как на всасывающей линии вентилятора, так и на нагнетании. В зависимости от этого одиночный циклон комплектуется с улиткой на выходе очищенного воздуха или зонтом. При очистке воздуха от абразивной пыли, вызывающей износ крыльчаток вентилятора, циклоны рекомендуется устанавливать перед вентилятором.

В зависимости от пропускной способности по воздуху (газу) и условий применения циклоны ЦН-11-700х1УП изготавливаются одиночного или группового исполнения - из двух, трех, четырех, шести и восьми циклонов. Групповые циклоны могут быть с камерой очищенного воздуха в виде "улитки" или в виде сборника, а одиночные - только с улиткой.

В группе циклонов патрубки с выходом очищенного воздуха могут объединяться сборным коллектором с выходом воздуха вертикально и системой улиток каждого циклона, объединенных общим фланцем.

Обозначение циклона ЦН-11-700-1УП

  • ЦН - циклон НИИОгаза;
  • 11 - угол наклона входного патрубка относительно горизонтали (град.);
  • П, Л - "Правое" ("Левое") вращение газа;
  • число после тире (700) - внутренний диаметр цилиндрической части циклона (мм);
  • следующая цифра (1) - количество циклонов в группе;
  • У - с камерой очищенного газа в виде "улитки";
  • П - пирамидальная форма бункера.

Циклоны ЦН-11, в зависимости от требований предъявляемых к очистке газа, могут иметь либо самостоятельное применение, либо использоваться в качестве агрегатов первой или второй ступеней очистки, в сочетании с другими газоочистными агрегатами.

Основные параметры работы циклонов ЦН-11-700-1УП

  • Массовая концентрация пыли в очищаемом газе, г/м3:

для слабослипающихся пылей до 1000 


для среднеслипающихся пылей 250

  • Температура очищаемого газа, 0 °С до 400
  • Давление, кПа до 5
  • Коэффициент гидравлического сопротивления циклонов:

для одиночного исполнения 147


для группового исполнения
с "улиткой" 175 


В технической характеристике циклона ЦН приведены значения производительности, отнесенные к скорости в цилиндрической части циклона V=2,5 и 4,0 м/с. В обычных условиях оптимальной считается скорость 4,0 м/с. Скорость 2,5 м/с рекомендуется принимать при работе с абразивной пылью.


Циклон ЦН может изготавливаться во взрывобезопасном исполнении (конструктивно предусмотрены взрывные клапана, и бункер имеет минимальные размеры во избежание накопления взрывоопасной пыли).


Материал для изготовления циклона ЦН 11 700 1УП - углеродистая сталь при температуре окружающей среды до 40 °С. При температуре ниже -40 °С применяют низколигированные стали.



Циклоны ЦН-11-700-1УП поставляются в разобранном виде.

Купить циклоны ЦН-11-700-1УП в Казани

Для того чтобы купить циклоны ЦН-11-700-1УП в Казани вы можете сделать заявку в отдел сбыта по телефону 8-800-700-06-43, либо оформить заказ онлайн. Инженеры-консультанты дадут консультацию и рассчитают стоимость доставки. Транспортирование может осуществляться автотранспортом, ж/д полувагонами и речным транспортом.

Дополнительное оборудование циклона ЦН-11-700-1УП

Мигалка затвор
Затвор-мигалка
17000 руб. с НДС

Сертификаты и гарантии циклона ЦН-11-700-1УП

Сертификат для золоуловителей
Сертификат на золоуловители

Отзывы о продукции

Другая похожая продукция

144 000 ₽
106 000 ₽
53 000 ₽
56 000 ₽
56 000 ₽